[順屏]FP系列 氣動活塞振動器
FP系列 氣動活塞振動器
FP-12 to 35
用於線性振動的氣動活塞振動器,具有無限的振幅微調功能和頻率。
特性• 安靜、高效能 |
應用領域• 驅動輸送機和卸料槽
|

❶ 硬質陽極氧化鋁外殼
❷ 硬質陽極氧化鋁座
❸ 硬質陽極氧化鋁蓋子
❹ 鉛青銅活塞
❺ 壓縮彈簧
結構
鋁製外殼表面硬化且耐腐蝕處理
| 規格與重量 | ||||||
| 型號 | A | B | C | D | E* | 總重量 |
| mm | mm | mm | 螺紋 | 螺紋 | kg | |
| FP-12-S | 71 | 34 | M8 | 1/8" | 1/8" | 0.15 |
| FP-12-M | 81 | 34 | M8 | 1/8" | 1/8" | 0.17 |
| FP-12-L | 94 | 34 | M8 | 1/8" | 1/8" | 0.21 |
| FP-18-S | 81 | 42 | M10 | 1/8" | 1/8" | 0.30 |
| FP-18-M | 94 | 42 | M10 | 1/8" | 1/8" | 0.35 |
| FP-18-L | 109 | 42 | M10 | 1/8" | 1/8" | 0.42 |
| FP-25-S | 98 | 50 | M12 | 1/8" | 1/4" | 0.55 |
| FP-25-M | 116 | 50 | M12 | 1/8" | 1/4" | 0.67 |
| FP-25-L | 136 | 50 | M12 | 1/8" | 1/4" | 0.82 |
| FP-35-S | 98 | 65 | M12 | 1/4" | 1/4" | 0.92 |
| FP-35-M | 116 | 65 | M12 | 1/4" | 1/4" | 1.13 |
| FP-35-L | 136 | 65 | M12 | 1/4" | 1/4" | 1.38 |
| 性能資料 | |||||||||
| 型號 | 振動數(次/分) | 離心振動力(N 牛頓) | 空氣耗量(升/分) | ||||||
| 2 Bar | 4 Bar | 6 Bar | 2 Bar | 4 Bar | 6 Bar | 2 Bar | 4 Bar | 6 Bar | |
| FP-12-S | 6200 | 7800 | 9300 | 34 | 70 | 92 | 0.8 | 7.5 | 25 |
| FP-12-M | 5000 | 6000 | 6700 | 34 | 58 | 74 | 0.5 | 4 | 19 |
| FP-12-L | 4000 | 4800 | 5400 | 32 | 58 | 81 | 1 | 3 | 20 |
| FP-18-S | 5000 | 6400 | 7700 | 66 | 134 | 187 | 5 | 33 | 57 |
| FP-18-M | 4000 | 5000 | 5900 | 68 | 134 | 188 | 4 | 28 | 52 |
| FP-18-L | 3100 | 4000 | 4600 | 64 | 150 | 206 | 5 | 23 | 46 |
| FP-25-S | 3600 | 4300 | 5500 | 126 | 270 | 416 | 13 | 54 | 93 |
| FP-25-M | 3000 | 3800 | 4200 | 142 | 364 | 504 | 23 | 50 | 87 |
| FP-25-L | 2400 | 3100 | 3700 | 186 | 392 | 594 | 18 | 62 | 93 |
| FP-35-S | 3800 | 4700 | 5800 | 294 | 668 | 1038 | 23 | 101 | 162 |
| FP-35-M | 3000 | 4000 | 4600 | 248 | 778 | 1080 | 24 | 83 | 141 |
| FP-35-L | 2400 | 3100 | 3600 | 282 | 680 | 1066 | 38 | 89 | 135 |
本表資料在重型實驗臺上取自Kistler3軸測力計。
當安裝剛性差時頻率和力值會減小

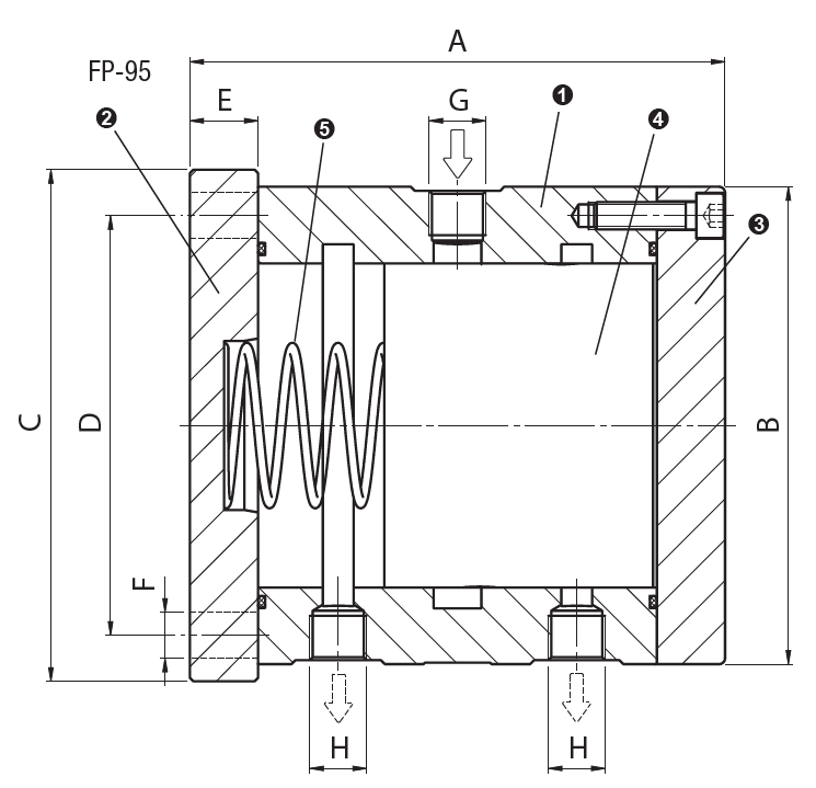
FP系列 氣動活塞振動器
FP-50 to 95
用於線性振動的氣動活塞振動器,具有無限的振幅微調功能和頻率。
特性• 安靜、高效能 |
應用領域• 驅動輸送機和卸料槽
|


❶ 硬質陽極氧化鋁合金外殼
❷ 塗有堅硬的埃馬塔爾底座
❸ 硬質陽極氧化鋁蓋子
❹ 鉛青銅活塞
❺ 壓縮彈簧
結構
鋁製外殼表面硬化且耐腐蝕處理
| 規格與重量 | |||||||||||
| 型號 | A | B | C | D | E | F | G | H | J | K | 重量 |
| mm | mm | mm | mm | mm | mm | 螺紋 | 螺紋 | 螺紋 | 螺紋 | kg | |
| FP-50-M | 154 | Ø 84 | 90 | 72 | 20 | 8.8 | 1/4" | 1/4" | 1/4" | M16 | 3.30 |
| FP-60-M | 154 | Ø 94 | 110 | 90 | 20 | 8.8 | 1/4" | 3/8" | 1/4" | M16 | 4.25 |
| FP-95-M | 157 | Ø 140 | 150 | 125 | 20 | 13 | 3/8" | 3/8" | 3/8" | - | 9.46 |
| 性能資料 | |||||||||
| 型號 | 振動數(次/分) | 離心振動力(N 牛頓) | 空氣耗量(升/分) | ||||||
| 2 Bar | 4 Bar | 6 Bar | 2 Bar | 4 Bar | 6 Bar | 2 Bar | 4 Bar | 6 Bar | |
| FP-50-M | 1,800 | 2,300 | 2,800 | 490 | 970 | 1,660 | 48 | 100 | 190 |
| FP-60-M | 1,900 | 2,400 | 2,700 | 610 | 1,400 | 2,170 | 90 | 160 | 270 |
| FP-95-M | 1,800 | 2,400 | 2,800 | 1,620 | 4,060 | 6,150 | 170 | 320 | 450 |
本表資料在重型實驗臺上取自Kistler3軸測力計。
當安裝剛性差時頻率和力值會減小
------------------------------------------------------------------------------------

